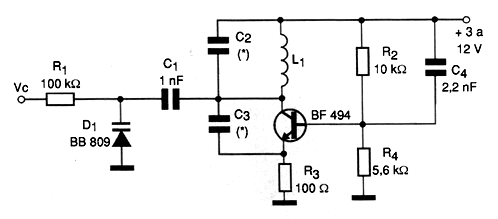
En la figura mostramos un VCO controlado por Varicap capaz de generar señales en la banda de algunos megahertz hasta más de 200 MHz. Si bien el control de la frecuencia se logra cuando se utiliza un varicap como el BNB809, incluso un diodo común como el 1N4002 funciona como tal, pero con una banda menor de actuación. La bobina, C2 y C3 dependen de la frecuencia central generada conforme a la siguiente tabla:

La bobina se enrolla con un cable 28 AWG en forma de 1 cm sin núcleo. Observamos que los valores de la tabla son aproximados, pudiendo ser necesarios cambios en función de las tolerancias. El transistor también admite equivalentes como el 2N2218 y 2N2222 para obtener una potencia un poco mayor para la señal. Esta señal se puede extraer tanto del colector del transistor como de una segunda bobina enrollada sobre L1. El número de espiras de esa bobina depende de la impedancia deseada pero en general quedará entre la mitad y una cuarta de las espiras de L1. Los condensadores deben ser todos cerámicos.




