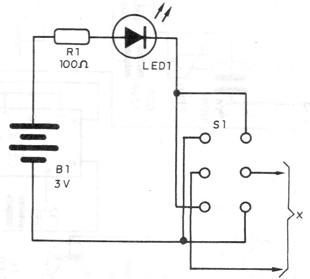
El circuito mostrado consiste en un simple probador para diodos de silicio o germanio de uso general y rectificadores. La tensión de prueba puede venir de 2 o 4 pilas y la indicación es dada por un LED.

El circuito mostrado consiste en un simple probador para diodos de silicio o germanio de uso general y rectificadores. La tensión de prueba puede venir de 2 o 4 pilas y la indicación es dada por un LED.
