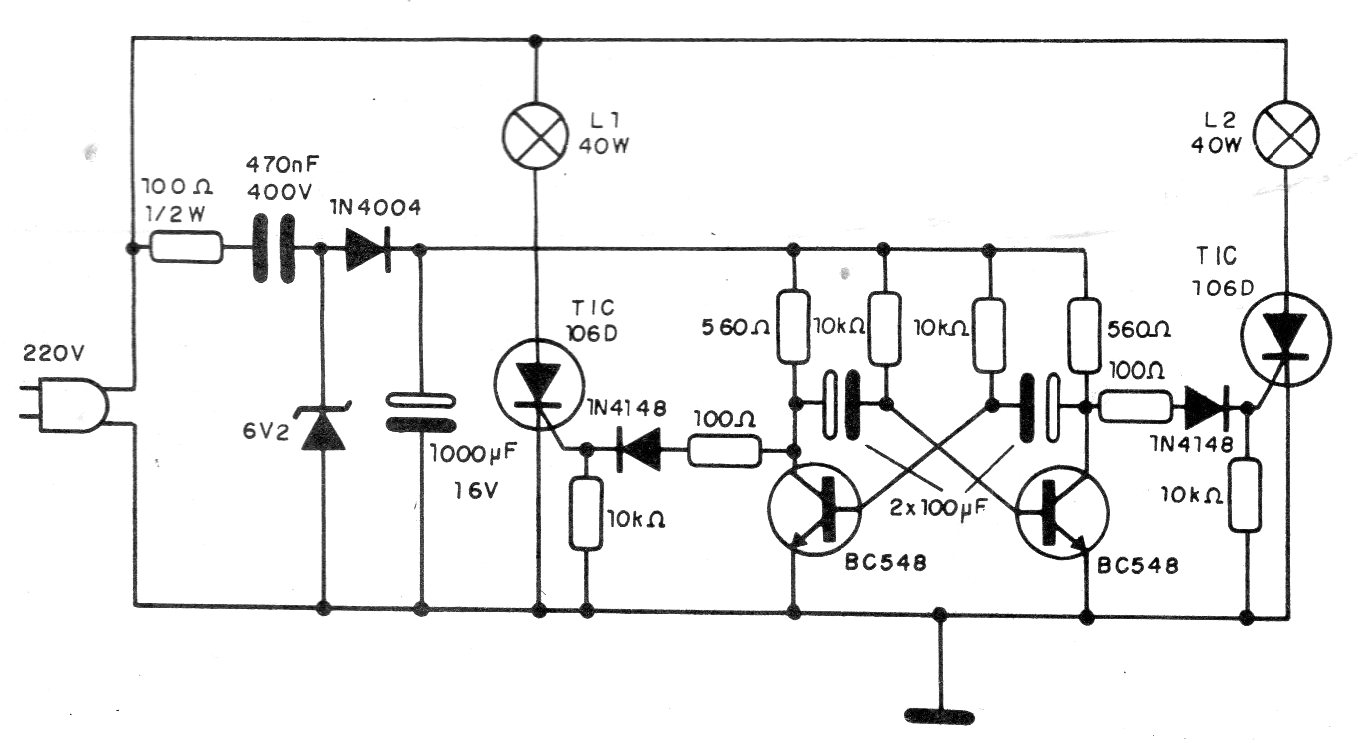
Este circuito de una documentación de 1992 fue originalmente diseñado para funcionar con lámparas incandescentes. El circuito consiste en un astable que dispara alternativamente dos SCR. La frecuencia de accionamiento alternativo es dada por los capacitores. El circuito puede ser adaptado para operar en la red de 110 V, bastando aumentar el condensador de 470 nF a 1 uF. Se debe utilizar un capacitor de poliéster.




