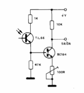
El ajuste de la sensibilidad de este circuito, dependiendo del nivel de la conmutación deseada, puede ajustarse en el trimpot de 100 Ω. El transistor puede ser el BC548 u otros equivalentes más modernos. La tensión de alimentación puede ser entre 6 y 12 V típico. El foto-transistor también puede sustituirse por equivalente.

Foto Transistor Con Disparador



