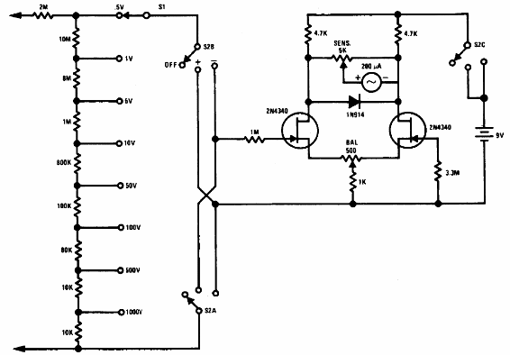
Esta configuración común de voltímetro con par diferencial de FET se obtuvo en el Linear Applications Handbook de National Semiconductor de 1994. El circuito tiene bajo consumo y la precisión depende de los resistores usados en la red divisora de entrada. Los FET pueden ser los BF245.




