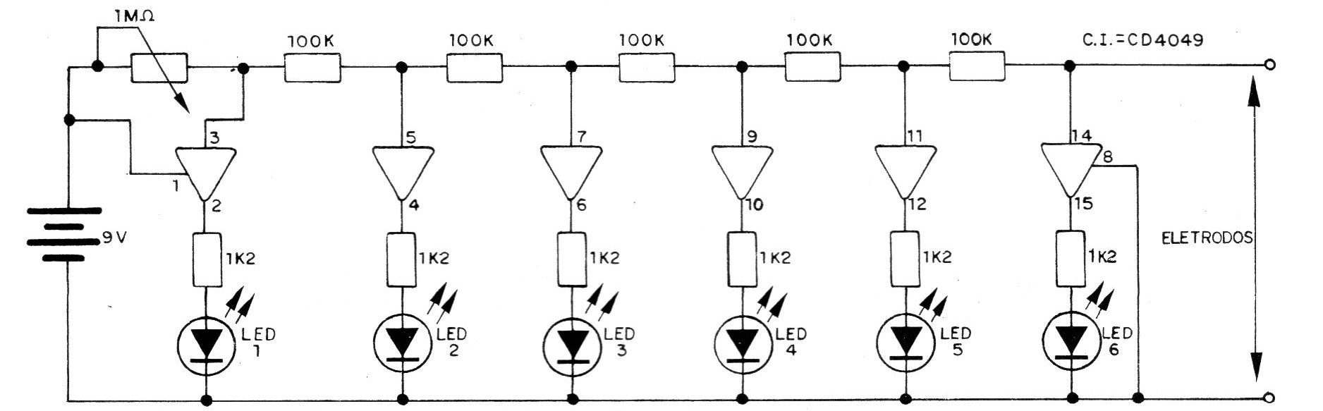
Esta versión CMOS de medidor de fuerza fue encontrada en una publicación de 1983. En la versión CMOS se emplea el integrado CD4049, que consiste en 6 variadores de una entrada, como muestra el diagrama. Cada inversor excita directamente un LED indicador que tiene un resistor limitador de corriente en serie. El lector sugiere la siguiente escala para el aparato:
Led1 = bananón
Led2 = débil
Led3 = bueno
Led4 = fortinho
Led5 = forton
Led6 = super-hombre
La alimentación se realiza con una tensión de 9 V de una batería común. Los electrodos son dos barras de metal, conectadas al aparato por medio de pedazos de hilo flexible.




