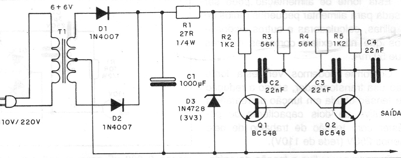
Este inyector de señales de 1987 incluye la fuente de alimentación de la red de energía. El transformador es de 6 + 6 V con corriente a partir de 50 mA. La señal es rectangular rico en armónicos. No utilice nunca la fuente sin transformador para alimentar este circuito.




