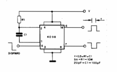
Los tiempos de las señales de salida en función de fórmulas de R1 y C1 están dados por el diagrama. Este circuito se activa en la transición negativa de la señal de entrada y puede ser alimentado por tensiones entre 3 y 12 V típico. Las salidas son complementarias con la misma duración. El circuito puede utilizarse como un shield para microcontroladores, evitando el problema de los repiques de sensores o interruptores.




