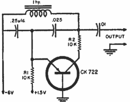
El circuito presentado genera una señal de aproximadamente 1 kHz con los componentes indicados. Encontramos esta configuración en un manual de uso del CK722 de Raytheon que lanzó este componente como primer transistor comercial del mundo en la década de los 50.




