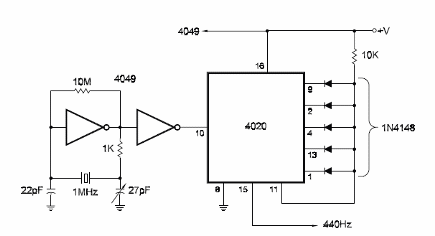
Utilizando circuitos integrados CMOS y un cristal de 1 MHz este circuito genera una señal de 440 Hz para afinación de instrumentos musicales. La señal se debe aplicar a la entrada de un pequeño amplificador o incluso del amplificador del instrumento por un mezclador. El circuito funciona con tensiones de 5 a 15 V y el trimmer ajusta el punto ideal en que el cristal oscila al conectar el aparato. El circuito es del libro CMOS Sourcebook de Newton C. Braga, publicado en los Estados Unidos.




