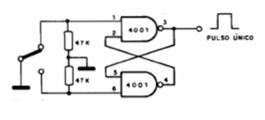
Este Shield es importante porque impide que las señales de un sensor o una clave sean interpretadas erróneamente por un microcontrolador debido a la presencia de oscilaciones (bounce). El accionamiento de teclas hace que varios pulsos sean producidos siendo contados por el microcontrolador. En la figura tenemos un circuito anti-repique con un sensor 1 x 2. El circuito integrado es el 4001 y la alimentación positiva se hace en el pin 14. La negativa se hace en el pin 7. La alimentación del 4081 debe hacerse con 3 o 5 V como el microcontrolador.




