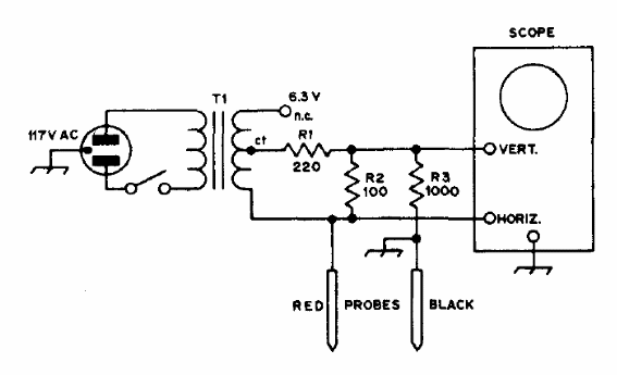
Con este circuito es posible utilizar un osciloscopio como prueba rápida de componentes, verificando su respuesta a una señal alternada de un pequeño transformador. El circuito es de una publicación para radioaficionados de 1975.

Con este circuito es posible utilizar un osciloscopio como prueba rápida de componentes, verificando su respuesta a una señal alternada de un pequeño transformador. El circuito es de una publicación para radioaficionados de 1975.
