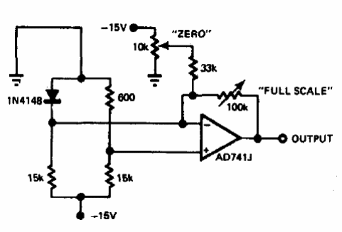
Este circuito utiliza como sensor un diodo común. La salida va de 0 a 10 V con el cambio de temperatura en el rango indicado. La fuente de alimentación debe ser simétrica. La precisión depende de los ajustes.

Este circuito utiliza como sensor un diodo común. La salida va de 0 a 10 V con el cambio de temperatura en el rango indicado. La fuente de alimentación debe ser simétrica. La precisión depende de los ajustes.
