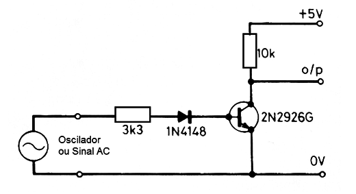
Este circuito fue obtenido en una revista británica en 1982. El propósito de este circuito es interfacear las señales de interfaz distintos circuitos TTL con TTL como las entradas existentes en un microcontrolador a 5 V. El transistor puede ser un BC548, 2N2222 o cualquier equivalente.

Interfaz De Entrada Para Señales Alternados



