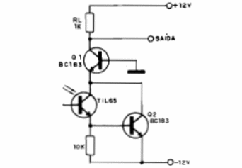
Este circuito fue sugerido por Texas Instruments en su manual de optoelectrónica. El circuito tiene un paso de retroalimentación que acelera la conmutación de lo foto transistor y un regulador de potencia. La alimentación puede hacerse con tensiones de 12 V y pueden usarse transistores como el BC547 equivalentes. Una aplicación es como un Shield, entrada el voltaje de salida puede llegar a 12 V.




