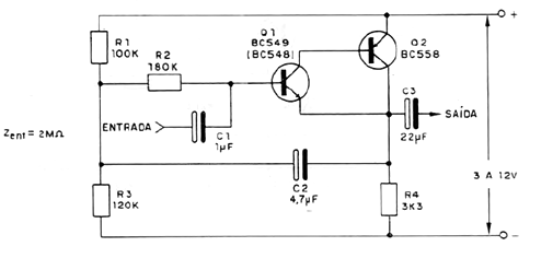
La impedancia de entrada de este amplificador es de 2 M ohmios que lo hace ideal para aplicaciones con transductores piezoeléctricos y otras fuentes de señales débiles. Puede ser utilizado para unas entradas analógicas del Arduino con señales de audio. El circuito puede ser alimentado con tensiones de 3 a 12 V y el consumo es muy bajo, se puede utilizar pilas o batería.

Etapa amplificadora



