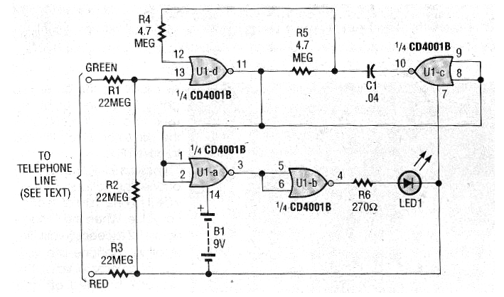
El circuito presentado salió en una revista Popular Electronics de 1993. Es un indicador que hace que un LED señale cuando la línea telefónica está en uso, por ejemplo, una extensión que se utiliza. Como el consumo es muy bajo, se puede utilizar una pequeña batería de 9 V en su alimentación. El circuito integrado es de los más comunes y el montaje puede ser hecho con facilidad, incluso en nuestros días.




