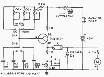
La escala más baja de corriente de un multímetro puede ser usada en este medidor encontrado en una documentación de 1976. La precisión depende de los ajustes de los trimpots en las diversas escalas. La alimentación, en realidad es de 4,5 V (3 pilas).




