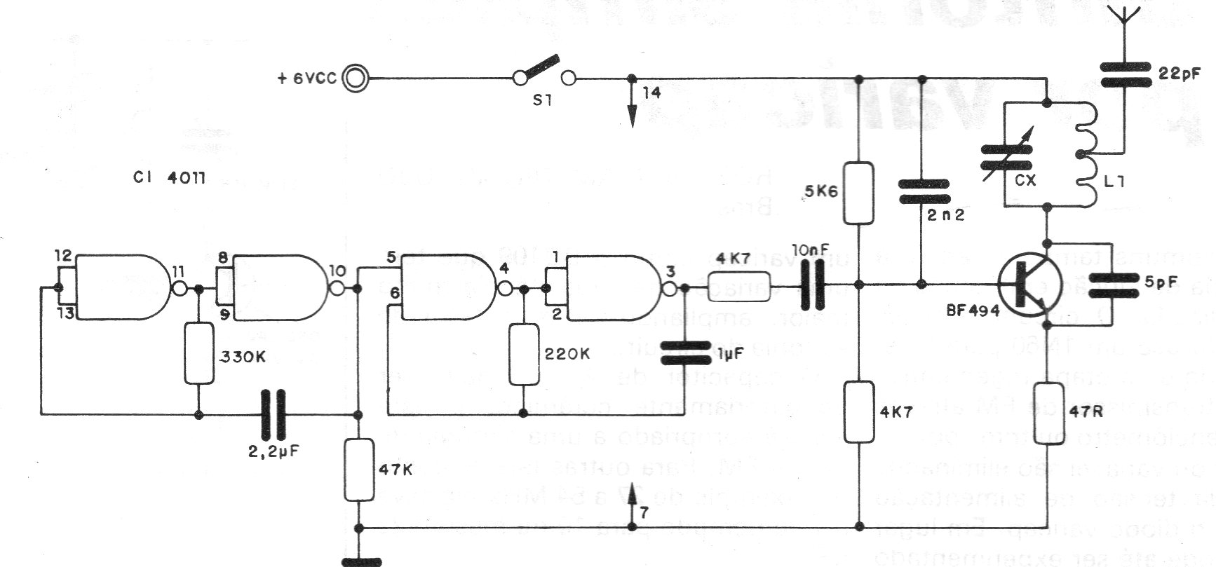
Encontramos este transmisor para señalización en una publicación de 1987. Funciona en el rango de FM o VHF, según la bobina y el ajuste y tiene un alcance que llega a los 200 metros. La antena es telescópica o rígida de 30 a 80 cm y la bobina tiene 2 + 2 espiras de hilo 28 o 24 en forma de 1 cm sin núcleo para el rango de FM. El trimmer es común de 30 pF o menos. La frecuencia de los bips e intervalos son determinados por los condensadores junto a los integrados CMOS.




