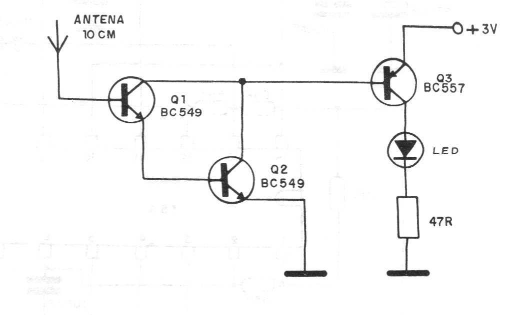
Este simple electroscopio acusa la carga de un objeto cuando lo acercamos a la antena sensora. El LED es el indicador y el circuito es bastante sensible. La alimentación puede realizarse por tensiones de 6 o 9 V obtenidas de pilas o batería. Los transistores no pueden tener fugas.




