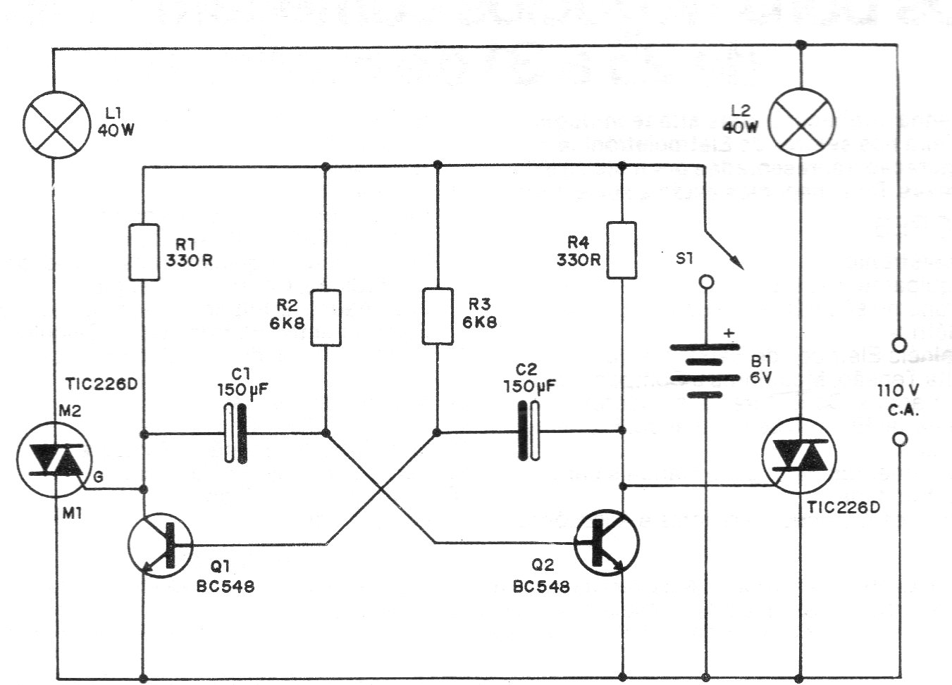
Este circuito hace que dos lámparas incandescentes parpadeen alternadamente a una velocidad determinada por los valores de los capacitores. El circuito no funciona con otros tipos de lámparas y los triacs deben estar dotados de disipadores de calor. El multivibrador puede ser alimentado por pilas o por una fuente con transformador.




