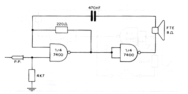
Con la punta de prueba en el nivel alto, el altavoz de este circuito TTL emite sonido. En el nivel bajo no hay sonido. En la información del sitio la pinza del 7400. La alimentación puede ser retirada del propio circuito que está siendo analizado, pues el consumo del circuito es muy bajo. El capacitor de 470 nF se puede cambiar para modificar la frecuencia de la señal emitida.




