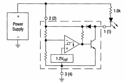
También se puede utilizar el MC33064, en este circuito del Linear Interfaz IC de Motorola de 1993. El circuito usado no es muy común actualmente y el indicador es un LED. La tensión monitoreada es de 5 V.

También se puede utilizar el MC33064, en este circuito del Linear Interfaz IC de Motorola de 1993. El circuito usado no es muy común actualmente y el indicador es un LED. La tensión monitoreada es de 5 V.
