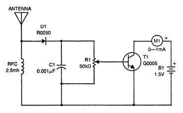
Este circuito se puede utilizar para medir las señales de transmisores en el rango de 3 a 30 MHz. El transistor puede ser el BC548 y el diodo común de germanio como el 1N34. El circuito puede ser alimentado por una o dos pilas pequeñas. Es conveniente conectar en serie con el instrumento un resistor de 1k para limitar su corriente en caso de problemas (saturación del transistor). La antena es telescópica. El circuito es de una documentación antigua. El trimpot de ajuste puede ser de 4k7.




