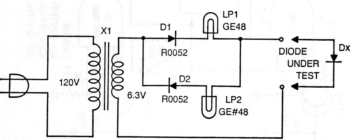
Esta antigua prueba de diodos, de una documentación de los años 70, utiliza dos pequeñas lámparas de 6 V hasta 50 mA para indicar el estado de un diodo. El transformador tiene 6 V de secundario con al menos 100 mA de corriente y los diodos pueden ser los 1N4002. Si las dos lámparas encienden el diodo está en corto, si las dos permanecen apagadas, el diodo está abierto y si una de ellas sólo se enciende, el diodo está bien.




