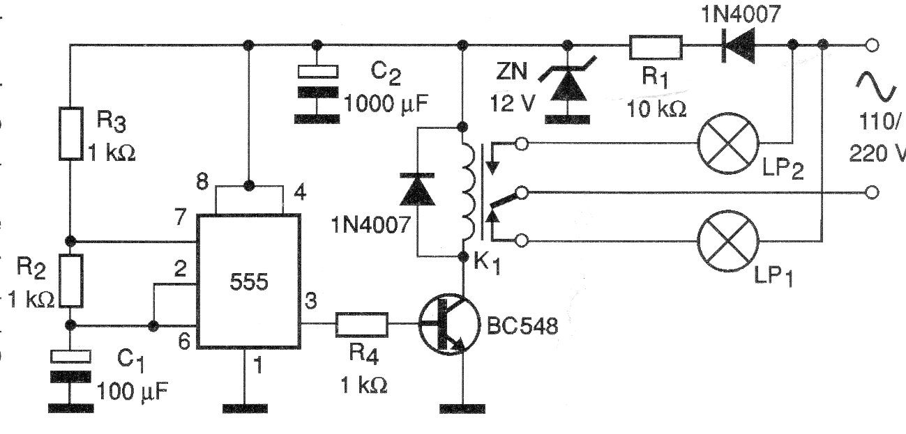
El proyecto presentado consiste en un parpadeante alternado con relé, pudiendo ser instalado en la salida de garajes, condominios, o para decoración. El circuito consiste en un oscilador montado alrededor de un 555 en la configuración estable. Este circuito envía pulsos a la base de un transistor que controla un relé. La alimentación del circuito viene directamente de la red de energía a través de un reductor bastante simple. La tensión es rectificada y filtrada para alimentar el circuito. La potencia máxima controlada depende únicamente del relé utilizado. El Zener debe ser de 1 W o más.




