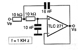
Se trata de una versión común pero con componentes calculados para una frecuencia de 1 kHz. El circuito mostrado en la figura es sugerido por Texas Instruments en su Linear Circuits Application. La impedancia de entrada es de 10 k ohms y la fuente de alimentación debe ser simétrica. Como en los demás circuitos, es posible alterar los valores de los capacitores, manteniendo sus relaciones para obtener otras frecuencias de corte. Recordamos que el amplificador operacional utilizado es del tipo que utiliza transistores de efecto de campo y por lo que presenta una resistencia de entrada extremadamente alta.




