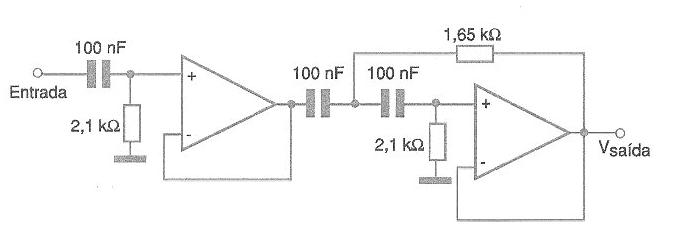
El circuito presentado en la figura es de un filtro de Bessel de tercer orden con ganancia unitario usando dos amplificadores operacionales. Los capacitores y los resistores son los elementos que deben ser alterados para modificar la frecuencia de ese filtro. Amplificadores de alta impedancia de entrada como los de la línea LinMOS de Texas son los sugeridos para esa aplicación. Texas Instruments es el que sugiere ese circuito en su literatura técnica sobre el tema.




