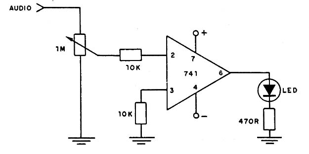
El LED encenderá o guiñará en este circuito en presencia de señales de audio en su entrada, aunque sean de poca intensidad. La fuente debe ser simétrica, con tensiones entre 5 y 15V. EI resistor en serie con el LED de 470 ohm para tensiones entre 5 y 9V, de 1k para tensiones de 9 a 15V.

Monitor de Audio



