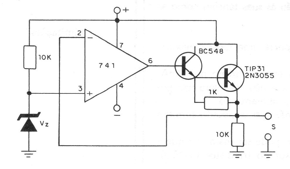
Este circuito utiliza un operacional 741 y dos transistores para obtener una tensión regulada que depende del zener utilizado. La tensión de entrada debe ser mayor que la deseada en la salida y la fuente debe tener alimentación simétrica. El transistor de potencia debe montarse en un disipador de calor.




