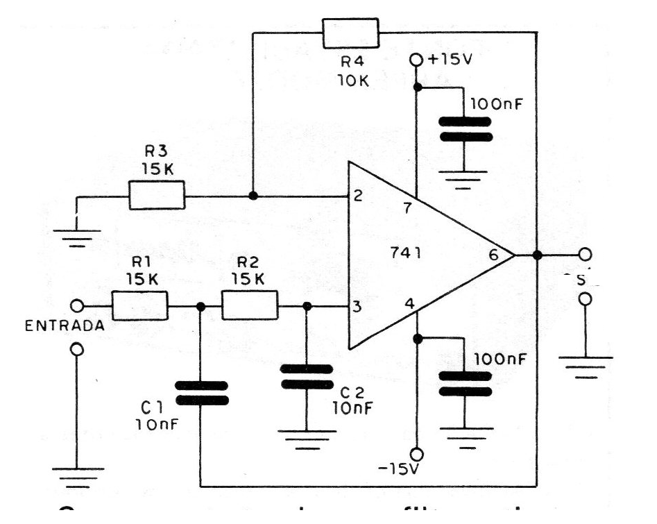
Este filtro deja pasar todas las frecuencias por debajo de aproximadamente 1 kHz. Para obtener el corte exactamente en la frecuencia de 1 kHz habría que usar resistores de precisión con valores más críticos. Para una aplicación práctica en la que se desea el corte aproximadamente en la frecuencia indicada, los valores son satisfactorios. Son los componentes R1, R2, C1 y C2 que forman un filtro RC que determina la frecuencia en que ocurre el corte. Como se trata de un filtro activo, en el montaje práctico se deben mantener cortas las conexiones, para que no ocurran capturas de zumbidos o realimentaciones que perjudiquen su funcionamiento.




