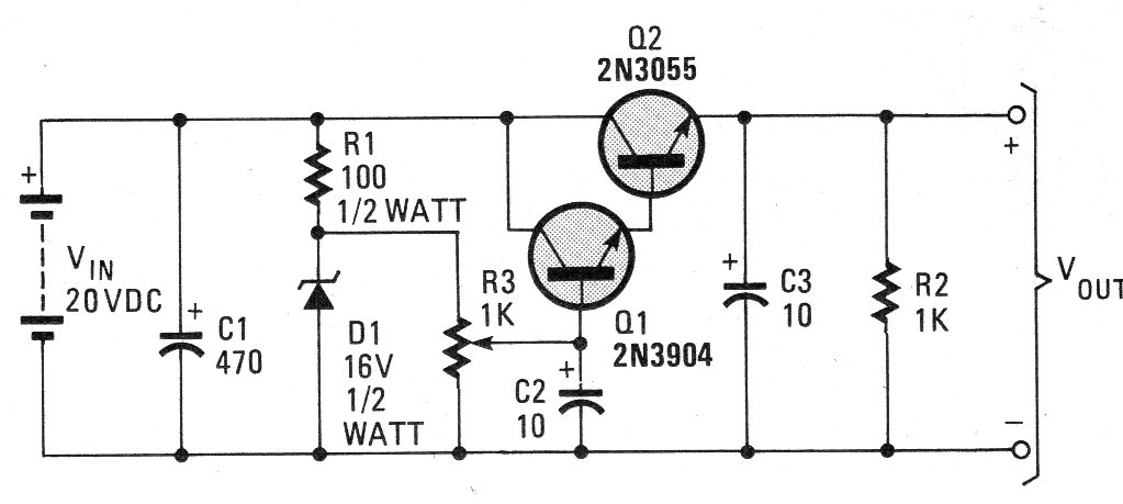
Este circuito regulador de tensión tiene una configuración tradicional con dos transistores, pudiendo ser usado en una fuente hasta 3 A. Encontramos el circuito en una documentación de los años 90. El 2N3055 debe ser dotado de disipador de calor.
Encontramos este circuito en una revista de Radio Electronics de abril de 1988. El tiempo de...
El circuito presentado tiene una precisión de 0.02% y una no linealidad de 0.003%. Encontramos esta...
Esta versión tradicional de temporizador se encontró en una antigua publicación en inglés. El relé debe ser...