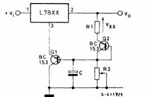
El L78xx de SGS es equivalente al 78xx común. El circuito fue encontrado en el manual de circuitos integrados lineales de la SGS de 1982. Para R1 se puede usar un resistor de 220 ohmios y para R2 un trimpot de 4k7. Los transistores pueden ser los BC558. La corriente máxima de salida es de 1 A.




