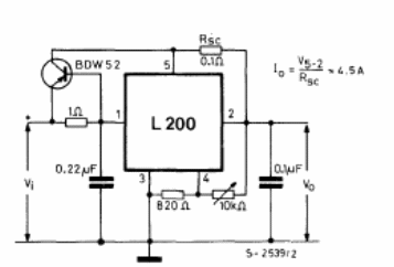
Este circuito fue obtenido en el manual de circuitos integrados lineales de la SGS de 1982. El transistor puede ser sustituido por equivalente con corriente apropiada. En la fórmula tenemos el cálculo del resistor que, para este caso fue determinado para una corriente de 4,5 A.




