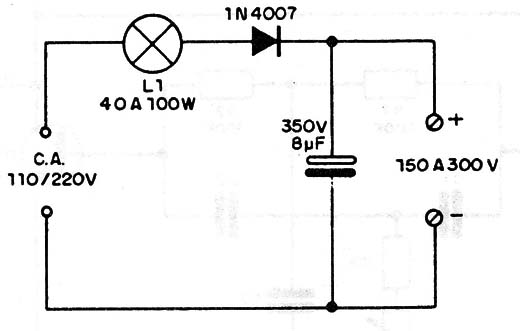
Esta fuente puede usarse en experiencias de electroquímica o en la prueba de componentes y circuitos en régimen de alta tensión. La corriente máxima depende de la lámpara usada y para 40W en 220V está alrededor de 120 mA. El diodo puede ser el 1N4007 o cualquiera que tenga una tensión inversa de 400V por lo menos.

Fuente CC Experimental



