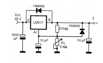
Con este regulador de tensión podemos elaborar una fuente de 1,7 a 17 voltios y corriente máxima de 1,5 A. La base es el circuito regulador de tensión LM317 que debe montarse en un buen radiador de calor. El potenciómetro R1 ajusta la tensión de salida y los capacitores electrolíticos deben tener tensiones mínimas de trabajo de 35 V excepto el de 2 200 uF que debe ser para 50 V o más.




