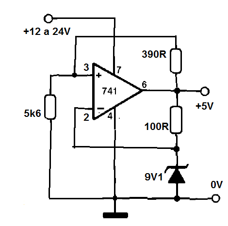
Este circuito muestra cómo obtener 5 V en condiciones de baja corriente de un circuito amplificador operacional 741. Este circuito fue obtenido en una publicación británica de 1978. Hacemos cambios para que su montaje todavía sea viable hoy. El diodo zener determina el voltaje de salida y corriente de salida máxima es del orden de unos pocos miliamperios. Otros amplificadores operacionales pueden ser utilizados. El divisor formado por el resistor 390 Ohm con lo de 5K6 junto al zener determina la tensión de salida.




