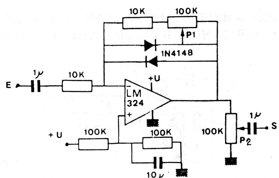
Este circuito puede ser intercalado entre guitarras y otros instrumentos para dar el efecto de distorsión fuzz. El circuito no utiliza fuente simétrica y los cables de señal deben ser blindados. La alimentación se puede hacer con una batería de 9 V, ya que el consumo es muy bajo.
Efecto Fuzz (CIR925S )
Este circuito puede ser intercalado entre guitarras y otros instrumentos para dar el efecto de distorsión fuzz. El circuito no utiliza fuente simétrica y los cables de señal deben ser blindados. La alimentación se puede hacer con una batería de 9 V, ya que el consumo es muy bajo.




