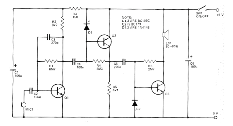
Este circuito consiste en una versión simple de un intercomunicador de una vía que monitorea el sonido de la habitación de un bebé permitiendo escuchar a distancia cuando llora. El circuito fue encontrado en una revista Hobby Electronics de 1981 y es actual todavía por los componentes que admiten sustitutos. Por ejemplo, el BC108 puede ser sustituido por el BC549 y el BC179 por el BC559. La alimentación se realiza por fuente y el componente crítico es el alt0-altavoz de alta impedancia. Sin embargo, podemos utilizar un pequeño transformador de salida del tipo encontrado en radios y grabadores transistorizados antiguos para hacer el acoplamiento a un altavoz de 4 o 8 ohms x 10 cm más moderno. El micrófono es del tipo dinámico que se encuentra en los grabadores de cassette y se puede conectar al cuarto remoto por un cable de hasta 20 metros de longitud.




