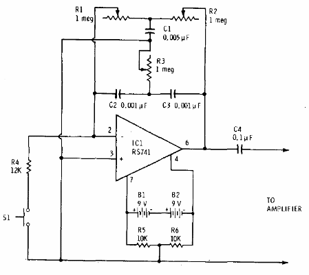
Este circuito genera el sonido de campanas. Encontramos en una publicación de Radio Shack de 1977. El circuito se debe aplicar a un buen amplificador de audio y la fuente de alimentación simétrica puede tener de 6 a 12 V. El ajuste del punto ideal de funcionamiento se realiza en los tres potenciómetros.




