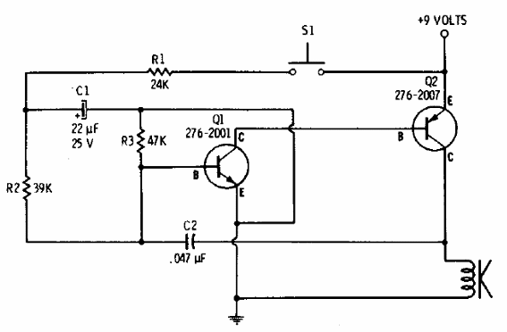
Presionando S1 el sonido aumenta en frecuencia y soltando, la frecuencia disminuye hasta que el oscilador se detenga. Este circuito, de configuración bastante conocido, puede ser montado con el BC548 y BD136. El circuito es de una documentación de Radio Shack de 1977.




