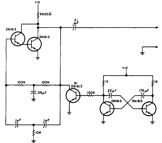
Este circuito genera el tono de ocupado de los teléfonos comunes. Los transistores pueden ser los BC548 y los componentes del filtro T y del multivibrador se pueden cambiar para obtener el tono exacto.

Este circuito genera el tono de ocupado de los teléfonos comunes. Los transistores pueden ser los BC548 y los componentes del filtro T y del multivibrador se pueden cambiar para obtener el tono exacto.
