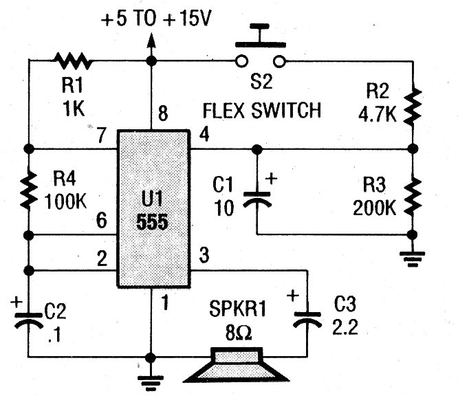
Este circuito simula una sirena de baja intensidad, pudiendo ser alimentado con tensiones de 5 a 15 V. El condensador C1 determina el efecto. Encontramos el circuito en una publicación americana de los años 90.
El siguiente circuito utiliza varios transistores, el primero (Q1) en clase A para amplificar la...
Los buzzers piezoeléctricos presentan un rendimiento mayor con señales de tensión más altas. El...
Al conectar este circuito en paralelo con el altavoz de un sistema de sonido, el LED parpadeará al ritmo...