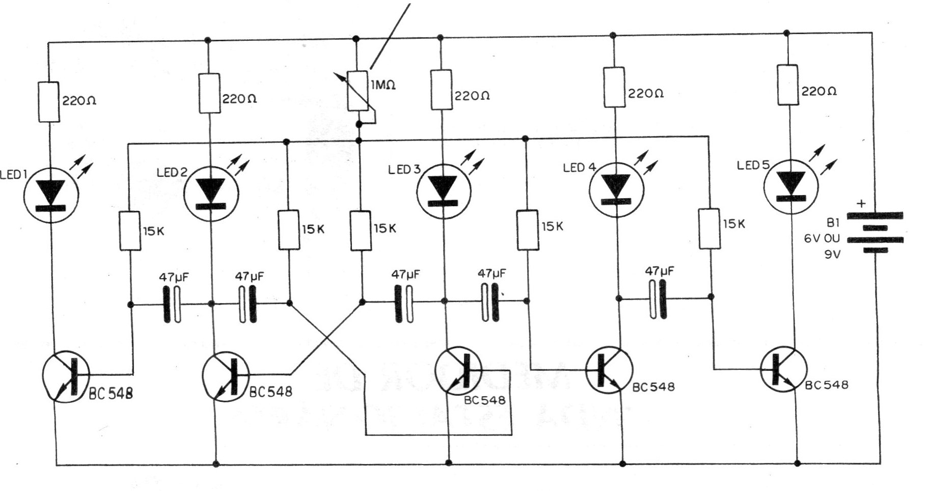
Para los que gustan de circuitos experimentales, he aquí un sistema de intermitencia secuencial con LEDs, que puede ser extendido infinitamente en su funcionamiento, según sugiere el autor del proyecto encontrado en una documentación de 1982. Partiendo entonces de un multivibrador astable con dos transistores Bo548, alimentando dos LED en una frecuencia que puede ser tan baja como 0,3 Hz (un parpadeante cada 3 segundos), dependiendo de los valores de los componentes, se tiene la ampliación para la alimentación de más LEDs, con el aumento de un transistor , un capacitor y un resistor para cada etapa. La frecuencia del sistema depende, fundamentalmente, del valor del condensador y del potenciómetro que permite entonces su ajuste. Sin embargo, existe un límite para el valor del potenciómetro, ya que con la reducción excesiva de la corriente de base de los transistores, se tiene también la reducción de la corriente de colector y consecuente disminución del brillo de los LED. El circuito puede ser alimentado con una tensión de 9 V y puede ser usado en sistemas de decoración, para juguetes o simplemente como montaje experimental.




