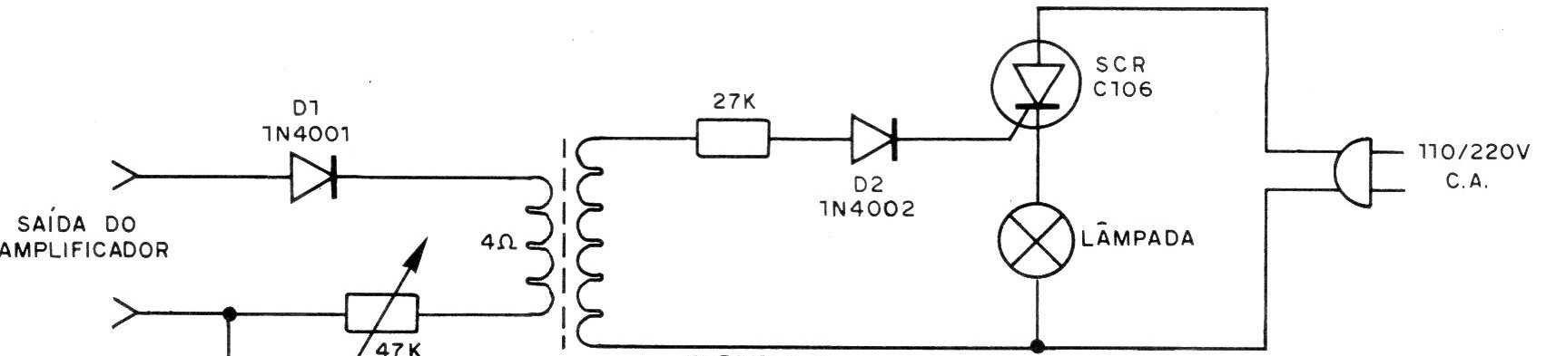
He encontrado este simple circuito básico de luz rítmica en una documentación de 1980. Alertamos para tener cuidado con los ajustes, siendo indicado la conexión de un resistor de 47 ohms con el potenciómetro. El SCR también puede ser el TIC106 dotado de un pequeño radiador de calor y la lámpara debe ser incandescente (spot o color de 5 a 60 W). El diodo admite equivalente como el 1N4004 o 1N4007. El SCR debe tener tensión de acuerdo con la red.




