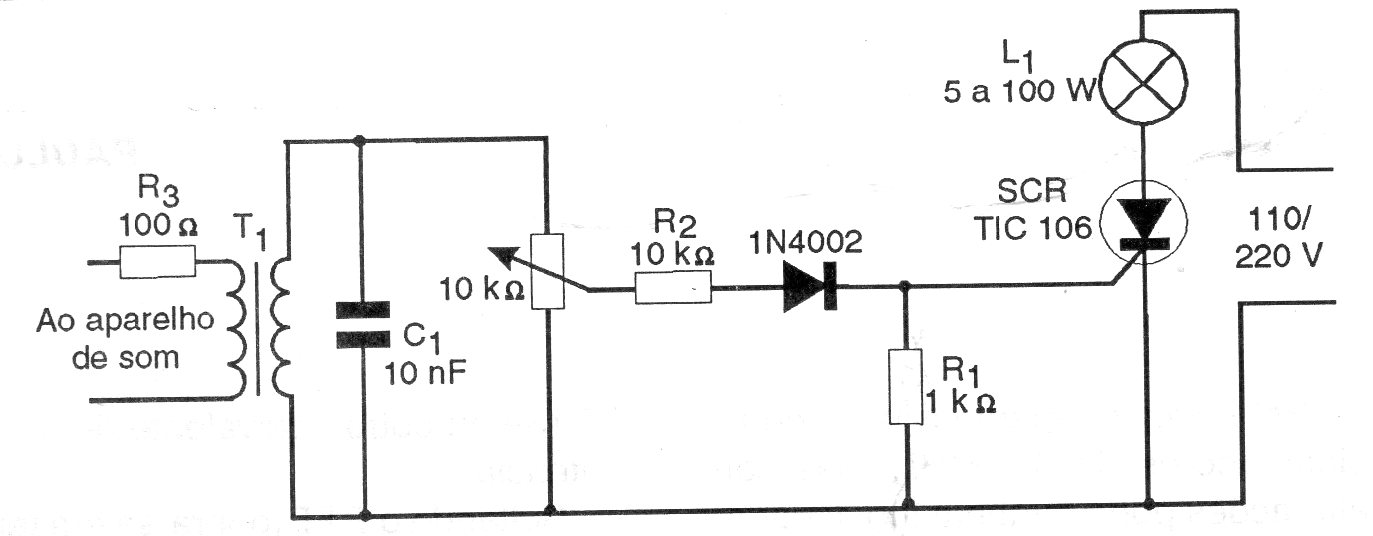
Este circuito, ya explotado en diversos artículos del sitio, fue encontrado en una documentación de 1997. Sólo funciona con lámparas incandescentes y el SCR debe estar dotado de disipador de calor. T1 puede ser cualquier transformador con un devanado de baja tensión (6 a 12V) y uno de alta tensión (110 V o 220 V).




