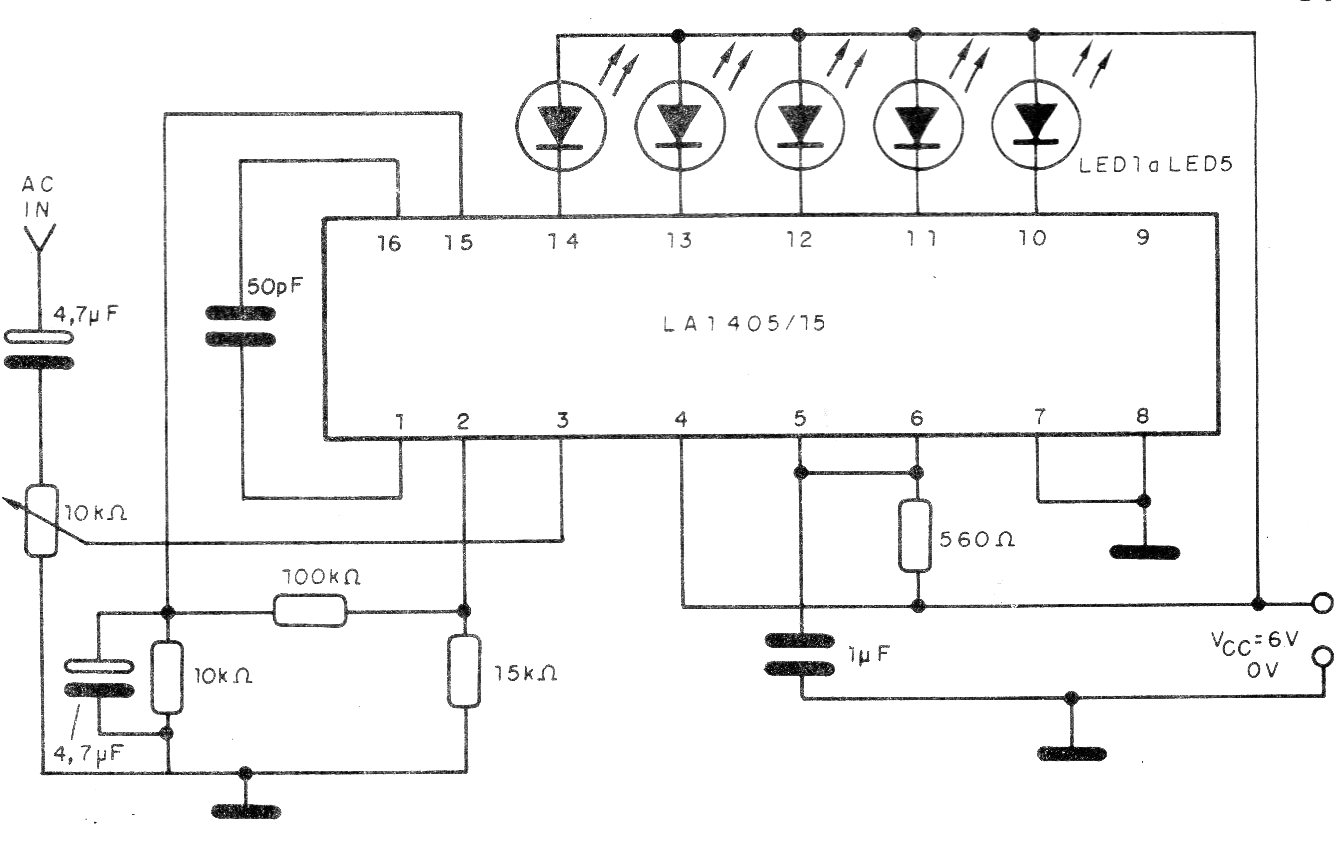
El circuito integrado utilizado en este bargraph no es muy común en la actualidad. Se utilizaba en equipos comerciales de los años 90 alimentados por pilas o batería. El circuito es simple y tiene un ajuste de sensibilidad.
El siguiente circuito utiliza varios transistores, el primero (Q1) en clase A para amplificar la...
Los buzzers piezoeléctricos presentan un rendimiento mayor con señales de tensión más altas. El...
Al conectar este circuito en paralelo con el altavoz de un sistema de sonido, el LED parpadeará al ritmo...