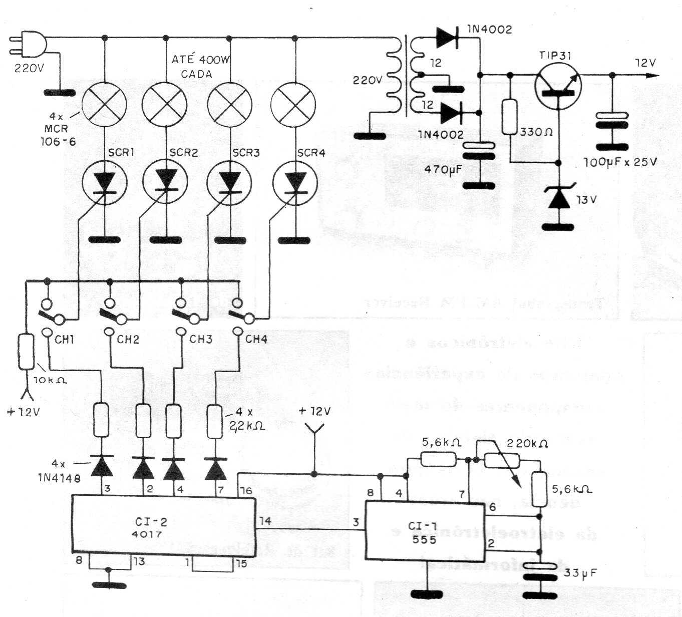
Este circuito fue encontrado en una publicación de 1992. El circuito utiliza componentes comunes e incluye la fuente de alimentación. Alimenta lámparas incandescentes usando SCR que se deben montar en disipadores de calor. El potenciómetro ajusta la velocidad del efecto.




