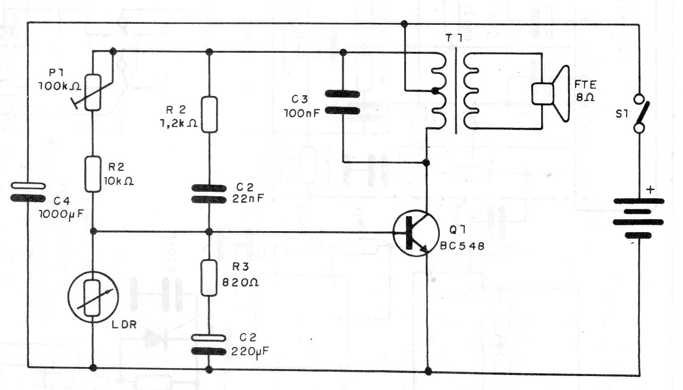
Este circuito de pajarito encontrado en diversas versiones en este sitio utiliza un sensor de luz (LDR) que se dispara cuando se corta la luz. Se puede utilizar en un juego que se coloca en el dormitorio de alguien. El transformador es de salida de radios transistorizados y la alimentación se puede realizar con 2 pilas AAA o AA.




