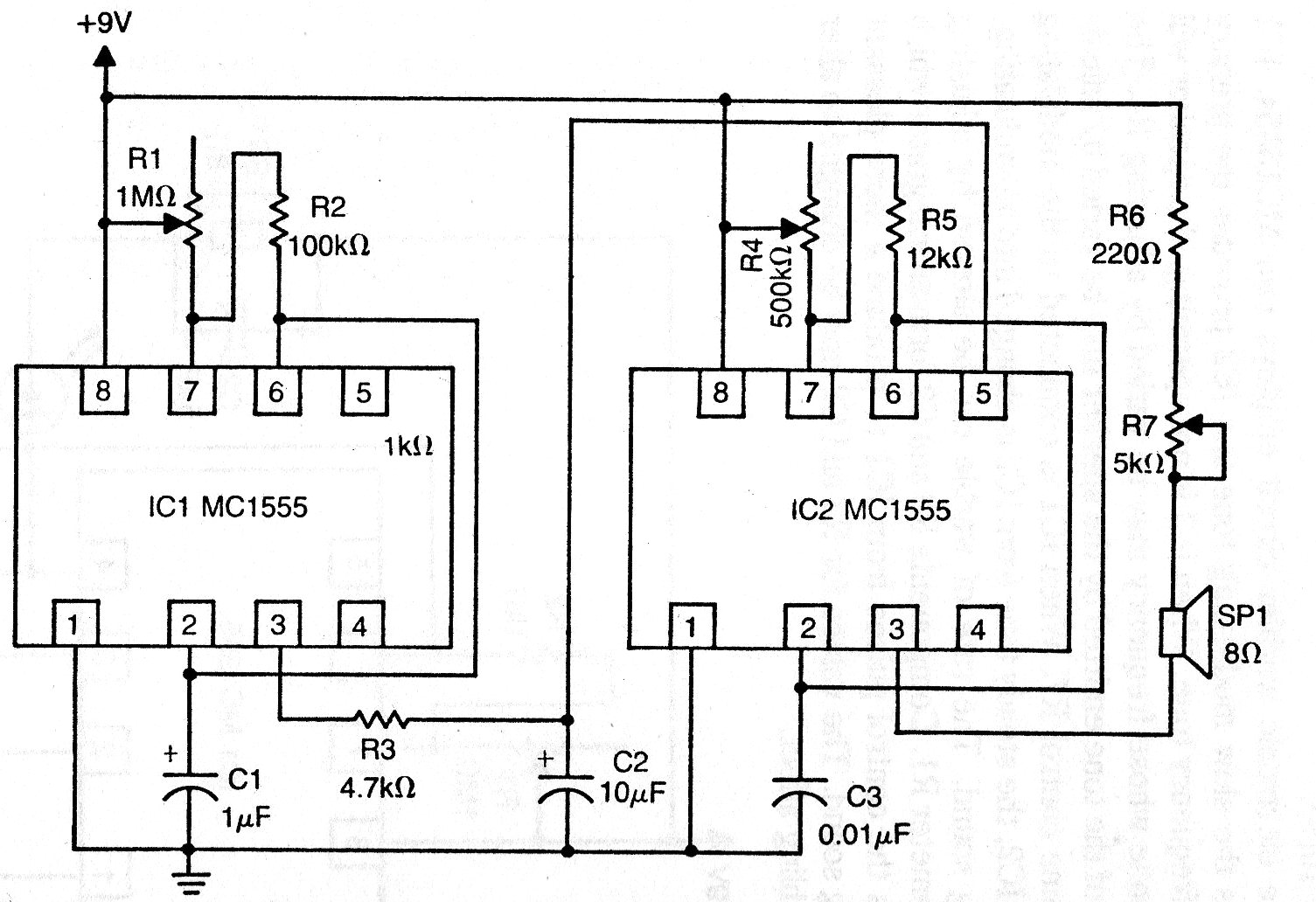
Encontramos este circuito en una publicación americana de los años 1970. El MC1555 es la versión del 555 de la época. El 555 común se puede utilizar en el circuito. En esta versión la potencia es baja pues no existe etapa de amplificación, pero la señal del perno 3 del IC2 puede ser aplicada a un paso con un transistor como el BD135 para mayor intensidad de sonido. El circuito puede ser alimentado por tensiones de 6 a 12 V y los componentes pueden tener sus valores alterados para modificar el efecto.




